![]() |

|
|
||||||||||||||||||||||||||||||||||||||||||||||||||||||||||||||||||||||||||||||||||||||||||||||||||||||||||||||||||||||||||||||||||||||||||||||||||||||||||||||||||||||||||||||||||||||||||||||||||||||||||||||||||||||||||||||||||||||||||||||||||||||||||||||||||||||||||||||||||||||||||||||||||||||||||||||||||||||||||||||||||||||||||||||||||||||||||||||||
JYDR系列液壓隔膜式計量泵(高壓液壓隔膜計量泵)

流量范圍: 0-3200 L/H
壓力范圍: 0-50MPA
功率:7.5KW ,5.5KW, 380V /400V,50Hz / 60Hz
驅動系統: 三相標準電機或防爆電機
流量控制: 手動控制或自動控制,
防護等級: IP55,IP54
材料
泵頭: SUS304, SUS316, 304+PTFE, 316+PTFE
隔膜: PTFE
單向閥: SUS304, SUS316
閥球: ZrO2, SUS304, SUS316, 陶瓷
工作條件
環境溫度: -30℃ --- 90℃
特點
1.無泄漏,維修方便,低噪音,使用方便。
2.計量精度優于機械隔膜泵,密封性能優于柱塞泵。
3.配沖程調節器可以實現遠程自動控制。
4. 隔膜為多層復合結構壓制而成,DY層超韌性Teflon耐酸薄膜,第二層EPDM彈性橡膠,第三層3.0mmSUS304支撐鐵芯,
第四層采用強化尼龍纖維補,第五層采用EPDM彈性橡膠完全包履,可有效提高隔膜使用壽命
新款技術參數:
| 型號MODEL | 流量(L/H) | 電機功率 | 柱塞直徑 (mm) |
行程 (mm) |
泵速 (min-1) |
進出口徑 (DN) |
重量(kg) | |
| 5.5kw | 7.5kw | |||||||
| 壓力(Mpa) | ||||||||
| JYDR□/50/28 | 90 | 28 | 50 | 20 | 60 | 96/144 | 15 法蘭 |
350 |
| JYDR□/32/18 | 150 | 18 | 32 | 25 | ||||
| JYDR□/20/11 | 250 | 11 | 20 | 32 | ||||
| JYDR□/15/8.5 | 320 | 8.5 | 15 | 36 | 20 法蘭 |
370 | ||
| JYDR□/12/6.5 | 400 | 6.5 | 12 | 40 | ||||
| JYDR□/10/5.2 | 500 | 5.2 | 10 | 45 | ||||
| JYDR□/8.0/4.5 | 650 | 4.5 | 8.0 | 50 | ||||
| JYDR□/6.5/3.6 | 790 | 3.6 | 6.5 | 55 | 25 法蘭 |
395 | ||
| JYDR□/5.5/3.1 | 940 | 3.1 | 5.5 | 60 | ||||
| JYDR□/4.6/2.6 | 1100 | 2.6 | 4.6 | 65 | ||||
| JYDR□/4.0/2.3 | 1300 | 2.3 | 4.0 | 70 | ||||
| JYDR□/3.5/2.0 | 1500 | 2.0 | 3.5 | 75 | 32 法蘭 |
420 | ||
| JYDR□/3.0/1.6 | 1700 | 1.6 | 3.0 | 80 | ||||
| JYDR□/2.8/1.5 | 1920 | 1.5 | 2.8 | 85 | ||||
| JYDR□/2.4/1.3 | 2150 | 1.3 | 2.4 | 90 | ||||
| JYDR□/2.2/1.2 | 2400 | 1.2 | 2.2 | 95 | 40 法蘭 |
450 | ||
| JYDR□/2.0/1.1 | 2650 | 1.1 | 2.0 | 100 | ||||
| JYDR□/1.6 | 3200 | *** | 1.6 | 110 | ||||
| JYDR□/1.0 | 400 | *** | 1.0 | 100 | ||||
| JYDR□/0.9 | 4900 | *** | 0.9 | 110 | ||||
以下為老款JYDR液壓隔膜計量泵技術參數
|
|
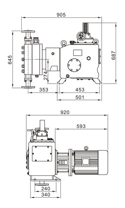
JYDR系列液壓隔膜式計量泵(高壓液壓隔膜計量泵)安裝尺寸圖

JYDR系列液壓隔膜式計量泵(高壓液壓隔膜計量泵)生產車間安裝實圖
