![]() |

|
|
|||||||||||||||||||||||||||||||||||||||||||||||||||||||||||||||||||||||||||||||||||||||||||||||||||||||
GB-S系列電動型機械隔膜式計量泵(雙泵頭隔膜計量泵)

產品介紹
流量范圍:0-3200 L/H
壓力范圍: 0-0.5MPA
電機功率: 1.5KW,380V / 400V, 50/60Hz
驅動系統: 兩相、三相標準電機或防爆電機
材料
泵頭: SUS304, SUS316, PVC, PTEF
隔膜: PTFE
單向閥: SUS304, SUS316, PVC, PTFE
閥球: ZrO2, SUS304, SUS316, 陶瓷
工作條件
環境溫度: -30℃ --- 60℃
電機: 兩相、三相標準電機或防爆電機
功率: 1.5KW,380V / 400V, 50/60Hz
防護等級: IP55
以下為新款技術參數表:
|
型號 |
流量(L/h) |
壓力(Mpa) |
沖次(min-1) |
功率(kw) |
進出口徑mm |
重量(kg) |
|
GB-S 1300/0.5 |
1300 |
0.5 |
96 |
1.5 |
25 |
70 |
|
GB-S 1700/0.5 |
1700 |
0.5 |
96 |
1.5 |
25 |
|
|
GB-S 20000./4 |
2000 |
0.4 |
144 |
1.5 |
25 |
|
|
GB-S 2800/0.3 |
2800 |
0.3 |
144 |
1.5 |
40 |
75 |
|
GB-S 3600/0.3 |
3600 |
0.3 |
144 |
1.5 |
40 |
老款技術參數
|
型號 |
流量 (L/h) |
壓力(Mpa) |
沖次(min-1) |
功率(kw) |
進出口徑 mm |
重量(kg) |
|
GB-S 1200/0.5 |
1200 |
0.5 |
96 |
1.5 |
25 |
70 |
|
GB-S 1500/0.5 |
1500 |
0.5 |
96 |
1.5 |
25 |
|
|
GB-S 20000./4 |
2000 |
0.4 |
144 |
1.5 |
25 |
|
|
GB-S 2500/0.3 |
2500 |
0.3 |
144 |
1.5 |
40 |
75 |
|
GB-S 3200/0.3 |
3200 |
0.3 |
144 |
1.5 |
40 |
特點
1. 操作安全,機械驅動隔膜。
2. 密封性好,無泄漏,裝配維修簡單安全。
3.它可以傳輸高粘度介質,腐蝕性液體和危險性的化學品。
4.流量調節能夠調節沖程長度或電機頻率。
5.隔膜為多層復合結構壓制而成,DY層超韌性Teflon耐酸薄膜,第二層EPDM彈性橡膠,第三層3.0mmSUS304支撐鐵芯,第四層采用強化尼龍纖維補,第五層采用EPDM彈性橡膠完全包履,可有效提出升隔膜適用壽命。
應用
廣泛應用于石油化工、化工、電力、冶金、采礦、造船、輕工、農業、國防等工業。
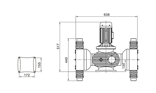
尺寸
